
HYTRACK pièces entretien réparation révision accessoires
Microfiches et schema eclatés des Pièces Quad HY410S Carbu 4x2/4x4
Accessoires
Consommables
Alternateur
Arbre A Cames
Boite De Vitesses 4x2
Boite De Vitesses 4x4
Caches Carters
Carburateur
Cardan Arriere
Cardan Avant 4x4
Carrosserie Arriere
Carrosserie Avant
Carter Moteur
Circuit De Refroidissement 4x2
Circuit De Refroidissement 4x4
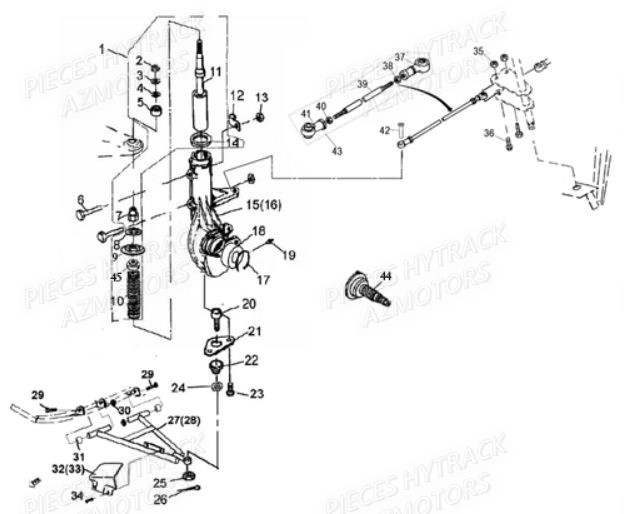
Colonne De Direction
Cylindre
Demarreur
Differentiel 4x4
Echappement
Embiellage
Ensemble Cardan Arriere
Etrier Droit
Etrier Gauche
Filtre A Air
Frein De Parc
Guidon
Maitre Cylindre Avant
Moteur
Pedale De Frein
Pompe A Eau
Pompe A Huile
Pont Arriere
Pont Avant 4x4
Porte Bagages
Reservoir
Roues Arriere
Roues Avant
Roue Libre
Soupapes
Support Boite De Vitesses
Support Carter Embrayage
Support D Attelage Accessoire
Suspensions Arriere
Suspensions Avant
Systeme De Freinage
Systeme Electrique
Tringlerie De Vitesses
Variateur


























































