
HYTRACK pièces entretien réparation révision accessoires
Microfiches et schema eclatés des Pièces Quad JOBBER 700 4X4 EFI - 2013
Accessoires
Consommables
Accessoires Divers
Admission
Alternateur
Arceaux
Barillet
Benne 1
Benne 2
Cache Carter
Cardan
Carrosserie Avant
Carrosserie Laterale
Carter
Chassis
Colonne De Direction
Culasse
Culbuteurs
Cylindre
Demarreur
Distribution
Echappement
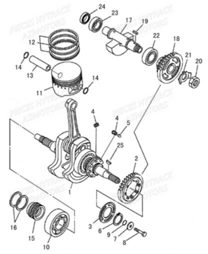
Embiellage
Ensemble Refroidissement
Essieu Arriere
Essieu Avant
Feux Arriere
Feux Avant
Filtre A Air
Filtre A Huile
Pare Chocs
Pompe A Eau
Pompe A Huile
Pont Arriere
Pont Avant
Portes
Prises D Air
Radiateur A Huile
Repose Pieds
Reservoir
Sieges
Support Moteur
Suspension Arriere
Suspension Avant
Systeme De Frein
Systeme Electrique
Toit
Transmission
Tringlerie De Vitesses
Variateur
Ventilateur




























































