AZMOTORS pièces entretien réparation révision accessoires
Microfiches et schema eclatés des Pieces SSV JOBBER T-BOSS 570
Alternateur
Amortisseur Arriere
Arbre A Cames
Arceaux
Attelage (options)
Barillet
Benne Amovible
Cache Culbuteurs
Caches Lateraux
Cache Carter Gauche
Cache Gauche
Cache Variateur
Calandre
Cardans
Carrosserie Avant
Carter Moteur Droit
Carter Moteur Gauche
Carter Variateur
Catadioptres
Ceintures De Securite
Chassis
Circuit De Refroidissement
Colonne De Direction
Compteur
Culasse
Cylindre
Demarreur
Echappement
Eclairage Avant
Embiellage
Feux Antibrouillard (option)
Feux Arriere
Filets De Protection
Filtre A Air
Frein De Parc A Cable
Moteur
Options 1
Options 2
Outils
Pare Brise (option)
Pare Chocs Avant
Pedalier
Plancher
Pompe A Eau
Pompe A Huile
Pont Arriere Differentiel
Pont Avant
Prises D Air
Protections Sieges Et Reservoir
Protection Sous Chassis
Reservoir
Retroviseurs
Roues Arriere
Roues Avant
Selecteur De Vitesses
Sieges
Supports Plaque Immatriculation
Suspensions Avant
Systeme De Frein
Systeme D Injection
Systeme Electrique
Tableau De Bord
Toit (option)
Transmission 1
Transmission 2
Treuil
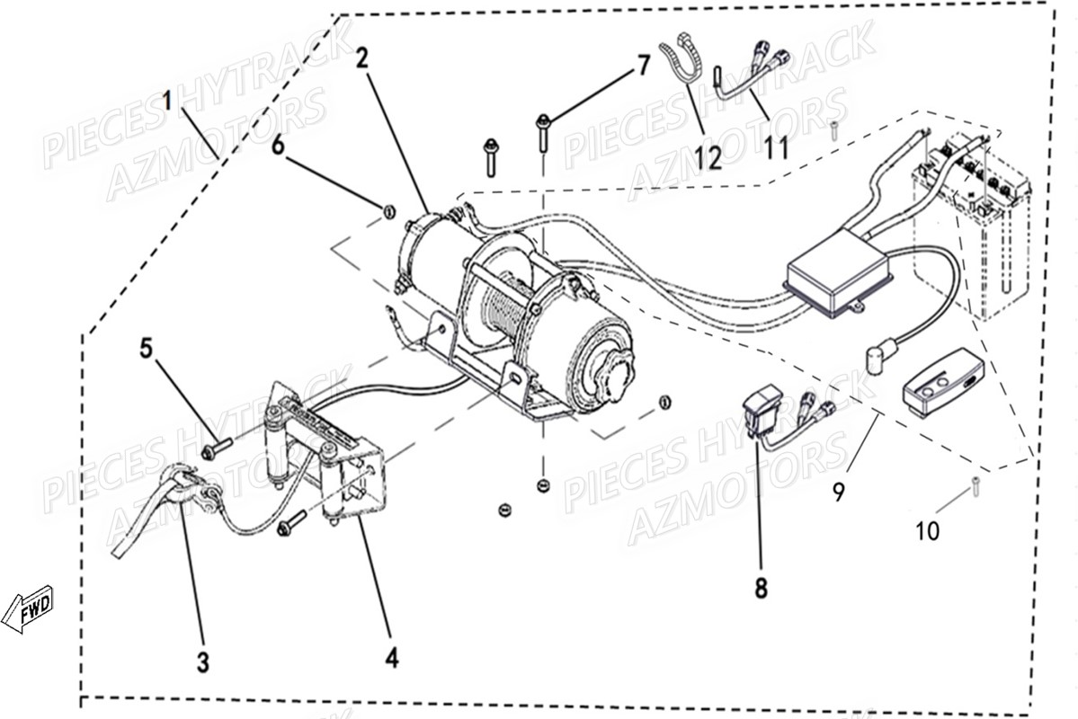
Treuil (options)
Variateur




